LECTURA E INTERPRETACIÓN DE DIAGRAMAS DE INSTRUMENTACIÓN, CONTROL Y ELÉCTRICOS
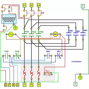
Abordar la simbología y su interpretación de diagramas y planos de sistemas eléctricos y de sistemas de instrumentación y control, con las diferentes normas establecidas. Se hace énfasis en diagramas y planos asociados a proyectos de ingeniería conceptual, básica y de detalles de instrumentación, control y automatización. Es un material bien completo que integra todos los aspectos relacionados al tema con mas de 90 figuras de diagramas y tablas, Se podrán hacer consultas y se tendrá acceso a material extra.
Más información sobre quien creó el contenido
:background_color(white)/hotmart/product_pictures/11185934-2dbe-4bed-b017-77a279206d3c/cursoPlanoscaratula.jpg?w=920)