Código fonte semáforo em C e HEX
Código fonte de um semáforo para linhas de modelos de microncontroladores At89s52- At89s51- At89s8252, para fins didáticos.
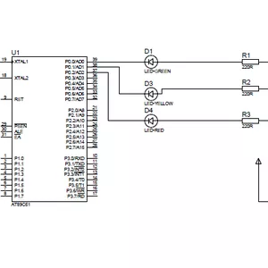
Vai também em anexo um arquivo hexadecimal para que você grave no dispositivo e o esquema elétrico.
O tempo do sinal verde esta em torno de 2:30 min, amarelo 0:30 e o vermelho 2:30. O mesmo foi simulado no Proteus 8.
Saiba mais sobre quem criou o conteúdo
:background_color(white)/hotmart/product_pictures/a37768bf-5ed9-4eae-96df-a1979c1e1414/semaforo.png?w=920)
