Template de Projeto Elétrico Subestação Aérea até 300 kVA (DWG + Memorial Descritivo)
Está em busca de um template pronto para acelerar seus projetos de instalações elétricas de até 300 kVA? Apresentamos o Template de Projeto Elétrico completo em formato DWG + Modelo de Memorial Descritivo, desenvolvido para atender às necessidades de engenheiros, técnicos e estudantes da área elétrica.
Este material foi criado por profissionais experientes, com foco em qualidade, precisão técnica e facilidade de personalização. Seja para projetos residenciais, comerciais ou industriais, o template garante que você tenha em mãos todas as ferramentas para criar projetos dentro das normas e com rapidez!
O que está incluído no pacote:
Arquivo DWG (AutoCAD) contendo:
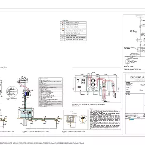
Diagrama unifilar detalhado para projetos de até 300 kVA;
Diagrama multifilar para melhor visualização das ligações e componentes;
Plantas baixas elétricas com layout pronto e editável;
Dimensionamento de condutores, eletrodutos, disjuntores e SPDA;
Quadro de cargas atualizado e organizado;
Simbologia elétrica conforme normas da ABNT NBR 5410.
Modelo de Memorial Descritivo (pronto para edição em Word/PDF):
Descrição detalhada dos sistemas elétricos projetados;
Informações de cabeamento, proteção, aterramento e dimensionamento;
Adequação às normas técnicas;
Totalmente adaptável a diferentes tipos de instalações (residencial, comercial, industrial).
Por que escolher este template?
Economia de tempo: projetos prontos para personalizar e enviar para aprovação;
Conformidade garantida: todos os cálculos e esquemas seguem as normas vigentes;
Flexibilidade: o arquivo DWG é completamente editável, ajustando-se às especificações do seu cliente;
Qualidade profissional: desenvolvido por especialistas com ampla experiência em projetos de instalações elétricas.
Para quem é esse template:
Engenheiros eletricistas e técnicos em eletrotécnica que desejam otimizar seus projetos;
Estudantes de engenharia elétrica em busca de um modelo profissional para seus trabalhos acadêmicos;
:background_color(white)/hotmart/product_pictures/6a40d196-6b14-48bd-8a69-6062c3738ac2/PROJETOELETRICOENERGISAATE300KVAModel.jpg?w=920)
