Vista Explodida FS 220 - Roçadeira
Descubra o Segredo das Roçadeiras: Explore a FS 220 com Detalhes em Vista Explodida!
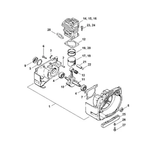
Este eBook meticulosamente elaborado oferece uma visão sem precedentes da potente roçadeira FS 220 da marca líder no mercado. Com vistas explodidas detalhadas, você será guiado através de cada componente essencial deste equipamento de jardinagem essencial. Desde o motor robusto até a lâmina afiada, cada parte é revelada em uma clareza impressionante.
Por que este eBook é indispensável para você?
Conhecimento Detalhado: Aprenda sobre cada peça e como elas se encaixam perfeitamente para criar uma máquina de corte de precisão.
Manutenção Eficiente: Descubra como cuidar da sua roçadeira FS 220 como um profissional, prolongando sua vida útil e garantindo um desempenho consistente.
Resolução de Problemas Simplificada: Identifique problemas e soluções rapidamente com vistas explodidas claras e instruções passo a passo.
Seja você um entusiasta do paisagismo, um profissional de jardinagem ou um técnico de manutenção, este eBook é uma ferramenta valiosa que irá aprimorar sua compreensão da FS 220 e otimizar sua experiência de uso. Adquira agora e mergulhe no mundo intricado desta poderosa roçadeira!
:background_color(white)/hotmart/product_pictures/f11b57de-1f9c-4f12-8e47-46335d547778/fs220.png?w=920)
